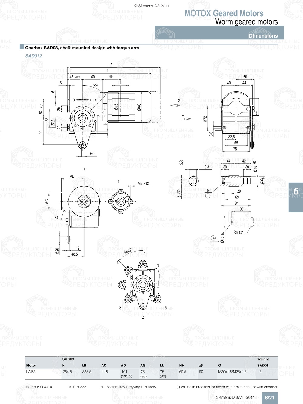
Червячный мотор-редуктор Siemens S08
- Мощность двигателя, кВт от 0.09 до 0.55
- Обороты на выходе n вых, об/мин от 14 до 373.3
- Крутящий момент на вых. валу Тном, Нхм от 7 до 50
Производим редукторы под собственной маркой ПР - полные аналоги Siemens S08
- 95% совместимость без доработок
- Быструю поставку со склада
- Привлекательную цену без потери качеств
Редуктор S08 от Siemens представляет собой высоконагруженное устройство, обеспечивающее плавное и эффективное преобразование крутящего момента. Благодаря червячной передаче с коэффициентом передачи до 1:100, он демонстрирует высокую степень энергоэффективности и минимальные потери на трение. Корпус изготовлен из высокопрочной стали с антикоррозийным покрытием, что гарантирует долговечность даже в агрессивных средах. Прецизионная обработка зубьев и использование качественных смазочных материалов обеспечивают стабильность работы при нагрузках до 500 Нм. Редуктор S08 совместим с широким спектром приводов и может интегрироваться в автоматизированные системы без дополнительных адаптеров.
Особенностью S08 является его модульная конструкция, позволяющая быстро заменять изношенные элементы без полной разборки агрегата. Встроенная система защиты от перегрузок предотвращает повреждение механизмов при аварийных режимах. Редуктор соответствует международным стандартам DIN и ISO, что подтверждает его надежность и универсальность. Оптимизированная геометрия шестерен снижает уровень вибрации и шума, что особенно важно для применения в промышленных и медицинских установках. Siemens S08 — это решение для задач, требующих точности, долговечности и минимального обслуживания.
Сроки: Доставка по России в среднем занимает от 3 до 10 рабочих дней, но может варьироваться в зависимости от региона. Для удалённых регионов, таких как Западная Якутия, сроки согласовываются индивидуально.
Условия отгрузки: Отгрузка с производства и передача в транспортную компанию осуществляется в день готовности заказа.
Способы доставки: Доставка осуществляется исключительно транспортными компаниями. Бесплатно доставляем заказ до терминала ТК.
Стоимость доставки: Рассчитывается индивидуально и зависит от региона, веса и габаритов товара.
Способы оплаты: Только безналичный расчёт.
Оплата производится согласно согласованным условиям поставки.
Если требуется дополнительная информация, уточните у нашего менеджера!
Доступные способы доставки
- Доставка до терминала в городе получателя
Вы выбираете нужную транспортную компанию, мы отправляем заказ, а вы забираете его с ближайшего терминала в вашем городе. Это удобно, если рядом с вами есть отделение — можно забрать в удобное время и не переплачивать за адресную доставку.
- Адресная доставка до получателя
Не нужно думать, как организовать перевозку тяжелого оборудования — мы всё сделаем за вас. Привезём редуктор точно по адресу: на производство или прямо на объект. Учитываем особенности груза и условия транспортировки, чтобы доставка прошла быстро, удобно и без лишней суеты.
- Самовывоз с терминала Деловые Линий или ПЭК в Челябинске
Для клиентов из Челябинска доступен самовывоз с терминала транспортной компании. Информация о дате и точке выдачи передаётся заранее. Процесс организован максимально просто и понятно: получение груза — без задержек и лишних действий.
Мотор-редуктор Siemens S08
Ключевые преимущества редукторов серии ПР
Видео-отзывы
Ознакомиться с отзывами
Команда экспертов
по приводной технике
Луканина Наталья
Руководитель отдела продаж
Шишук Виктория
Руководитель фронт-линии
Сиражетдинов Дмитрий
Руководитель отдела клиентского сервиса
Снигир Олег
Ведущий менеджер по продажам
Киселев Егор
Менеджер по продажам
Друченко Александр
Менеджер по продажам
Новиков Максим
Менеджер по продажам
Тыщенко Иван
Менеджер по продажам
Уржунцев Александр
Менеджер по продажам
Мы не просто продаём редукторы — нам доверяют, потому что решаем задачи быстро и точно
Вопрос-ответ
Читайте наши статьи о мотор-редукторах и их применении
Оставьте свои контактные данные и наши специалисты свяжутся с вами в течение 15 минут.