Мотор-редукторы ПР 113 по выгодной цене от производителя в Перми

Мотор-редукторы ПР 113

Характеристики:
  • Мощность двигателя, кВт от 0.12 до 3.00
  • Обороты на выходе n вых, об/мин от 6.7 до 821.0
  • Передаточное число, U от 3.4 до 134.8
Все характеристики
Оставить заявку
Возможна поставка только редукторной части без электродвигателя. Уточняйте у менеджеров более подробную информацию.

Полный аналог редукторов мировых брендов

  • 95% совместимость без доработок
  • Цена выгоднее на 30-40%
  • Срок производства 3-7 дней
Получите бесплатную консультацию по подбору оборудования
Номер для связи:
WhatsApp и Telegram
Описание
Характеристики
Подобрать редуктор
Доставка и оплата
3D модель
Аналоги
Техническая документация
Чертеж

Универсальные соосные мотор-редукторы ПР 113 предназначены для применения в приводах различных машин и механизмах для изменения крутящих моментов и частоты вращения.

При использовании электродвигателей с числом оборотов 3000 об/мин со всеми передаточными числами и 1500 об/мин с передаточными числами редуктора до 15 возможно появление повышенного шума и вибрации. Рекомендуем не использовать данные сочетания оборотов электродвигателя и передаточных чисел.

Мощность двигателя, кВт от 0.12 до 3.00
Обороты на выходе n вых, об/мин от 6.7 до 821.0
Передаточное число, U от 3.4 до 134.8
Консольная нагрузка Fном, Н от 780 до 5980
Сервис-фактор, Sfном от 0.8 до 6.0
Обороты двигателя n вх, об/мин от 900 до 2800
Тип
Соосно-цилиндрический
Выбрать...
Габарит редуктора
ПР 113
Выбрать...
Мощность двигателя, кВт
От
До
Обороты на выходе n вых, об/мин
От
До
Крутящий момент на вых. валу Тном, Нхм
От
До
Передаточное число, U
От
До
Консольная нагрузка Fном, Н
От
До
Сервис-фактор, Sfном
От
До
Обороты двигателя n вх, об/мин
От
До
Доставка

Сроки: Доставка по России в среднем занимает от 3 до 10 рабочих дней, но может варьироваться в зависимости от региона. Для удалённых регионов, таких как Западная Якутия, сроки согласовываются индивидуально.

Условия отгрузки: Отгрузка с производства и передача в транспортную компанию осуществляется в день готовности заказа.

Способы доставки: Доставка осуществляется исключительно транспортными компаниями. Бесплатно доставляем заказ до терминала ТК.

Стоимость доставки: Рассчитывается индивидуально и зависит от региона, веса и габаритов товара.

Оплата

Способы оплаты: Только безналичный расчёт.

Оплата производится согласно согласованным условиям поставки.

Если требуется дополнительная информация, уточните у нашего менеджера!

Доступные способы доставки

  1. Доставка до терминала в городе получателя

    Вы выбираете нужную транспортную компанию, мы отправляем заказ, а вы забираете его с ближайшего терминала в вашем городе. Это удобно, если рядом с вами есть отделение — можно забрать в удобное время и не переплачивать за адресную доставку.

  2. Адресная доставка до получателя

    Не нужно думать, как организовать перевозку тяжелого оборудования — мы всё сделаем за вас. Привезём редуктор точно по адресу: на производство или прямо на объект. Учитываем особенности груза и условия транспортировки, чтобы доставка прошла быстро, удобно и без лишней суеты.

  3. Самовывоз с терминала Деловые Линий или ПЭК в Челябинске

    Для клиентов из Челябинска доступен самовывоз с терминала транспортной компании. Информация о дате и точке выдачи передаётся заранее. Процесс организован максимально просто и понятно: получение груза — без задержек и лишних действий.

Транспортные компании

Справочник характеристик габарита и веса моделей ПР

Чтобы получить данные по габаритам и весу редукторов серии ПР, воспользуйтесь справочником характеристик габарита и веса моделей ПР.

Посчитайте предварительную стоимость доставки редуктора.

Общий объем: 0 м3
Общая масса: 0 кг
Тип редуктора Количество Габаритные размеры, мм Объем, м³ Масса, кг
L В Н
ПР113 без двигателя 340 250 250 0.0200 20.78
ПР113 с двигателем 640 270 250 0.0400 44
ПР114 без двигателя 410 300 300 0.0400 30.40
ПР114 с двигателем 770 320 300 0.0700 68.90
ПР115 без двигателя 440 300 300 0.0400 36.80
ПР115 с двигателем 840 370 350 0.1100 106.80
ПР116 без двигателя 460 300 300 0.0400 42.60
ПР116 с двигателем 860 370 350 0.1100 112.60
ПР117 без двигателя 530 350 350 0.0700 53.80
ПР117 с двигателем 950 370 350 0.1200 137.30
ПР118 без двигателя 600 350 350 0.0700 98.80
ПР118 с двигателем 1120 460 400 0.2100 268.80
ПР119 без двигателя 710 400 420 0.1200 150
ПР119 с двигателем 1280 460 420 0.2500 340
ПР1110 без двигателя 780 450 480 0.1700 199.70
ПР1110 с двигателем 1440 540 480 0.3700 469.70
ПР1113 без двигателя 860 460 560 0.2200 266.50
ПР1113 с двигателем 1560 550 560 0.4900 501.50
ПР1114 без двигателя 1030 550 640 0.3600 412
ПР1114 с двигателем 1800 640 640 0.7300 842
ПР1116 без двигателя 1190 670 750 0.6000 693
ПР1116 с двигателем 2210 780 750 1.2900 1631
ПР114/113 без двигателя 750 300 300 0.07 51.18
ПР114/113 с двигателем 1050 320 300 0.1 74.4
ПР115/113 без двигателя 780 300 300 0.7 57.58
ПР115/113 с двигателем 1080 370 350 0.14 80.8
ПР116/113 без двигателя 800 300 300 0.07 63.38
ПР116/113 с двигателем 1100 370 350 0.14 86.6
ПР117/113 без двигателя 870 370 350 0.11 74.58
ПР117/113 с двигателем 1170 370 350 0.15 97.8
ПР118/115 без двигателя 1040 350 350 0.13 135.6
ПР118/115 с двигателем 1440 460 400 0.26 205.6
ПР119/115 без двигателя 1180 400 420 0.2 186.8
ПР119/115 с двигателем 1550 460 420 0.3 256.8
ПР1110/117 без двигателя 1410 450 480 0.3 253.5
ПР1110/117 с двигателем 1620 540 480 0.42 337
ПР1113/117 без двигателя 1390 460 560 0.36 320.3
ПР1113/117 с двигателем 1810 550 560 0.56 403.8
ПР1114/117 без двигателя 1560 550 640 0.55 465.8
ПР1114/117 с двигателем 1980 640 640 0.81 549.3
ПР1114/118 без двигателя 1630 640 640 0.67 510.8
ПР1114/118 с двигателем 2150 640 640 0.88 680.8
ПР1116/119 без двигателя 1900 670 750 0.95 843
ПР1116/119 с двигателем 2470 780 750 1.44 1033

Чертеж в разобранном виде

testnew.jpg
  1. Двигатель
  2. Запорный винт
  3. Гайка
  4. Шпонка
  5. Шпилька
  6. Кольцо уплотнительное
  7. Ведущая шестерня
  8. Рым-болт
  9. Винт крышки
  10. Крышка
  11. Прокладка
  12. Корпус редуктора
  13. Масляная пробка
  14. Кольцо стопорное
  15. Подшипник
  16. Тихоходное зубчатое колесо
  17. Втулка
  18. Шпонка
  19. Подшипник
  20. Шпонка
  21. Кольцо стопорное
  22. Сальник тихоходного вала
  23. Выходной вал
  24. Заглушка
  25. Кольцо стопорное
  26. Подшипник
  27. Вал-шестерня
  28. Шпонка
  29. Зубчатое колесо
  30. Заглушка
  31. Кольцо стопорное
  32. Подшипник
  33. Кольцо стопорное
  34. Вал-шестерня
  35. Подшипник
  36. Подшипник
  37. Шпонка
  38. Зубчатое колесо
  39. Втулка
  40. Подшипник
  41. Кольцо стопорное

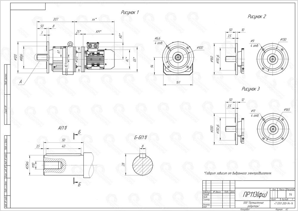
Коническо-цилиндрический мотор-редуктор ПР 113. Выходной цилиндрический вал. Монтаж редуктора с помощью фланца на выходном валу (типоразмер выходного фланца B5)

Коническо-цилиндрический мотор-редуктор ПР 113. Выходной цилиндрический вал. Монтаж редуктора с помощью фланца на выходном валу (типоразмер выходного фланца B5)

Коническо-цилиндрический мотор-редуктор ПР 113. Выходной цилиндрический вал. Монтаж редуктора c помощью крепежных отверстий на корпусе редуктора

Коническо-цилиндрический мотор-редуктор ПР 113. Выходной цилиндрический вал. Монтаж редуктора c помощью крепежных отверстий на корпусе редуктора

Аналог редукторов

Мотор-редукторы ПР 113 — это высококлассный аналог редукторов ведущих мировых брендов, таких как Sew-Eurodrive, Bauer, Bonfiglioli, Motovario и Nord. Он сочетает надёжность, долговечность и совместимость с большинством промышленных установок, обеспечивая эффективную замену импортных моделей.

Ключевые преимущества редукторов серии ПР

Закалённые шестерни - твёрдость 56-62 HRC
Высокочастотная закалка и цементация повышают прочность и износостойкость зубчатых передач.
Идеальная геометрия зацепления - 6-я степень точности
Шлифовка зубьев обеспечивает высокую точность зацепления (6-я степень), снижает шум и вибрации и делает работу редуктора более плавной и стабильной.
Долговечность - 7-10 лет срока службы
Средний срок эксплуатации редукторов серии ПР составляет 7–10 лет 
при правильной эксплуатации.
Инженерная поддержка 
и документация
Предоставляем 3D-модели, подробную техническую документацию и чертежи 
на нашу продукцию - удобно для проектирования, согласований 
и замены оборудования.

Команда экспертов
по приводной технике

Наши менеджеры специализируются на подборе редукторов под ваши задачи. В среднем 4 из 5 технических вопросов вы сможете решить напрямую с персональным менеджером. Если ситуация требует более глубокого анализа - мы оперативно подключаем инженера.

Мы не просто продаём редукторы — нам доверяют, потому что решаем задачи быстро и точно

Быстрый и беcплатный подбор редукторов от 1 часа
Быстрый и беcплатный подбор редукторов от 1 часа
Расчеты делают инженеры с опытом 10+ лет в отрасли.
Доставка точно в срок
Доставка точно в срок
Бесплатно упакуем в усиленную обрешетку
и доставим до терминала ТК.
Гарантия 24 месяцев и полная ответственность за заводской брак
Гарантия 24 месяцев и полная ответственность за заводской брак
Осуществим ремонт и послепродажное обслуживание.

Фото отгрузок

Вопрос-ответ

Какие меры необходимы для увеличения срока службы редуктора?
Для продления срока службы редуктора рекомендуется соблюдать режимы работы, регулярно проводить техническое обслуживание и использовать рекомендованное масло. Наши редукторы поставляются с инструкциями по обслуживанию, чтобы обеспечить надежную и долговечную работу.
Как выбрать редуктор, подходящий для конкретного оборудования?
При выборе редуктора важно учитывать такие параметры, как мощность, передаточное число, тип нагрузки и условия эксплуатации. Наши специалисты помогут вам подобрать оптимальный редуктор для вашего оборудования, учитывая все особенности и требования.

Читайте наши статьи о мотор-редукторах и их применении

Подберём редуктор под вашу задачу
80% технических вопросов решаются сразу, при необходимости быстро подключаем инженера.

Оставьте свои контактные данные и наши специалисты свяжутся с вами в течение 15 минут.
Оформить заявку
Максим Новиков
Менеджер по подбору редукторов с опытом более 5 лет.

Мы используем cookies

Мы используем cookies для улучшения работы сайта и предоставления персонализированного контента. Продолжая использовать наш сайт, вы соглашаетесь на использование cookies. Подробности можно найти в Политике конфиденциальности.