Конический мотор-редуктор Lenze GKR06 - купить в Перми от производителя

Конический мотор-редуктор Lenze GKR06

Характеристики:
  • Мощность двигателя, кВт от 0.12 до 5.5
  • Обороты на выходе n вых, об/мин от 6 до 218
  • Крутящий момент на вых. валу Тном, Нхм от 49 до 685
Все характеристики
Оставить заявку
Возможна поставка только редукторной части без электродвигателя. Уточняйте у менеджеров более подробную информацию.

Производим редукторы под собственной маркой ПР - полные аналоги Lenze GKR06


  • 95% совместимость без доработок
  • Быструю поставку со склада
  • Привлекательную цену без потери качеств

Перейти к ПР 315
Получите бесплатную консультацию по подбору оборудования
Номер для связи:
WhatsApp и Telegram
Описание
Характеристики
Доставка и оплата
Аналоги
Техническая документация
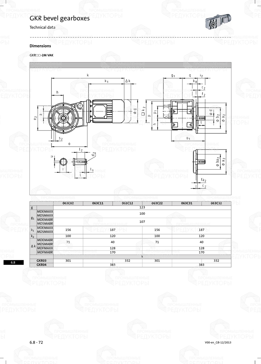
Чертеж

Редуктор GKR06 от Lenze представляет собой высокотехнологичное решение для передачи мощности в промышленных механизмах. Он оснащен коническим зубчатым механизмом, обеспечивающим высокую эффективность и долговечность. Благодаря использованию высококачественных материалов и современных технологий производства, редуктор GKR06 демонстрирует исключительную надежность и устойчивость к износу. Его конструкция позволяет достичь высокого КПД, что особенно важно для задач, требующих точного и стабильного управления. Редуктор GKR06 поддерживает широкий диапазон скоростей и моментов, что делает его универсальным решением для различных отраслей промышленности, включая машиностроение, металлургию и пищевую промышленность.

Редуктор GKR06 от Lenze отличается компактными размерами и легкостью в монтаже, что упрощает его интеграцию в существующие производственные линии. Его конструкция предусматривает минимальное количество обслуживания, что снижает эксплуатационные затраты и повышает общую производительность системы. Высокий уровень защиты от внешних воздействий и возможность работы в агрессивных средах делают редуктор GKR06 идеальным выбором для сложных условий эксплуатации. Lenze, как ведущий производитель, гарантирует высокое качество и инновационные решения, что подтверждается многочисленными сертификатами и положительными отзывами клиентов. Редуктор GKR06 — это надежное и эффективное решение для передачи мощности, которое обеспечит стабильную работу вашего оборудования на протяжении многих лет.

Мощность двигателя, кВт от 0.12 до 5.5
Обороты на выходе n вых, об/мин от 6 до 218
Крутящий момент на вых. валу Тном, Нхм от 49 до 685
Передаточное число, U от 6.6 до 145.1
Консольная нагрузка Fном, Н от 2410 до 9990
Сервис-фактор, Sfном от 0.8 до 8
Доставка

Сроки: Доставка по России в среднем занимает от 3 до 10 рабочих дней, но может варьироваться в зависимости от региона. Для удалённых регионов, таких как Западная Якутия, сроки согласовываются индивидуально.

Условия отгрузки: Отгрузка с производства и передача в транспортную компанию осуществляется в день готовности заказа.

Способы доставки: Доставка осуществляется исключительно транспортными компаниями. Бесплатно доставляем заказ до терминала ТК.

Стоимость доставки: Рассчитывается индивидуально и зависит от региона, веса и габаритов товара.

Оплата

Способы оплаты: Только безналичный расчёт.

Оплата производится согласно согласованным условиям поставки.

Если требуется дополнительная информация, уточните у нашего менеджера!

Доступные способы доставки

  1. Доставка до терминала в городе получателя

    Вы выбираете нужную транспортную компанию, мы отправляем заказ, а вы забираете его с ближайшего терминала в вашем городе. Это удобно, если рядом с вами есть отделение — можно забрать в удобное время и не переплачивать за адресную доставку.

  2. Адресная доставка до получателя

    Не нужно думать, как организовать перевозку тяжелого оборудования — мы всё сделаем за вас. Привезём редуктор точно по адресу: на производство или прямо на объект. Учитываем особенности груза и условия транспортировки, чтобы доставка прошла быстро, удобно и без лишней суеты.

  3. Самовывоз с терминала Деловые Линий или ПЭК в Челябинске

    Для клиентов из Челябинска доступен самовывоз с терминала транспортной компании. Информация о дате и точке выдачи передаётся заранее. Процесс организован максимально просто и понятно: получение груза — без задержек и лишних действий.

Транспортные компании

Мотор-редуктор Lenze GKR06

Lenze GKR06
Lenze GKR06
Lenze GKR06
Lenze GKR06
Lenze GKR06
Lenze GKR06
Lenze GKR06
Lenze GKR06
Lenze GKR06
Lenze GKR06
Lenze GKR06
Lenze GKR06
Lenze GKR06
Lenze GKR06
Lenze GKR06
Lenze GKR06

Ключевые преимущества редукторов серии ПР

Закалённые шестерни - твёрдость 56-62 HRC
Высокочастотная закалка и цементация повышают прочность и износостойкость зубчатых передач.
Идеальная геометрия зацепления - 6-я степень точности
Шлифовка зубьев обеспечивает высокую точность зацепления (6-я степень), снижает шум и вибрации и делает работу редуктора более плавной и стабильной.
Долговечность - 7-10 лет срока службы
Средний срок эксплуатации редукторов серии ПР составляет 7–10 лет 
при правильной эксплуатации.
Инженерная поддержка 
и документация
Предоставляем 3D-модели, подробную техническую документацию и чертежи 
на нашу продукцию - удобно для проектирования, согласований 
и замены оборудования.

Команда экспертов
по приводной технике

Наши менеджеры специализируются на подборе редукторов под ваши задачи. В среднем 4 из 5 технических вопросов вы сможете решить напрямую с персональным менеджером. Если ситуация требует более глубокого анализа - мы оперативно подключаем инженера.

Мы не просто продаём редукторы — нам доверяют, потому что решаем задачи быстро и точно

Быстрый и беcплатный подбор редукторов от 1 часа
Быстрый и беcплатный подбор редукторов от 1 часа
Расчеты делают инженеры с опытом 10+ лет в отрасли.
Доставка точно в срок
Доставка точно в срок
Бесплатно упакуем в усиленную обрешетку
и доставим до терминала ТК.
Гарантия 24 месяцев и полная ответственность за заводской брак
Гарантия 24 месяцев и полная ответственность за заводской брак
Осуществим ремонт и послепродажное обслуживание.

Вопрос-ответ

Какие меры необходимы для увеличения срока службы редуктора?
Для продления срока службы редуктора рекомендуется соблюдать режимы работы, регулярно проводить техническое обслуживание и использовать рекомендованное масло. Наши редукторы поставляются с инструкциями по обслуживанию, чтобы обеспечить надежную и долговечную работу.
Как выбрать редуктор, подходящий для конкретного оборудования?
При выборе редуктора важно учитывать такие параметры, как мощность, передаточное число, тип нагрузки и условия эксплуатации. Наши специалисты помогут вам подобрать оптимальный редуктор для вашего оборудования, учитывая все особенности и требования.

Читайте наши статьи о мотор-редукторах и их применении

Подберём редуктор под вашу задачу
80% технических вопросов решаются сразу, при необходимости быстро подключаем инженера.

Оставьте свои контактные данные и наши специалисты свяжутся с вами в течение 15 минут.
Оформить заявку
Максим Новиков
Менеджер по подбору редукторов с опытом более 5 лет.

Мы используем cookies

Мы используем cookies для улучшения работы сайта и предоставления персонализированного контента. Продолжая использовать наш сайт, вы соглашаетесь на использование cookies. Подробности можно найти в Политике конфиденциальности.