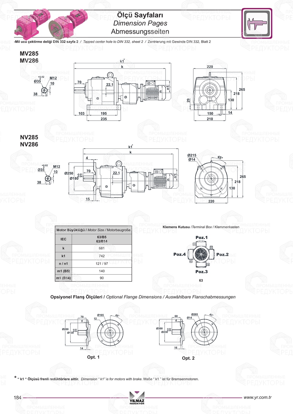
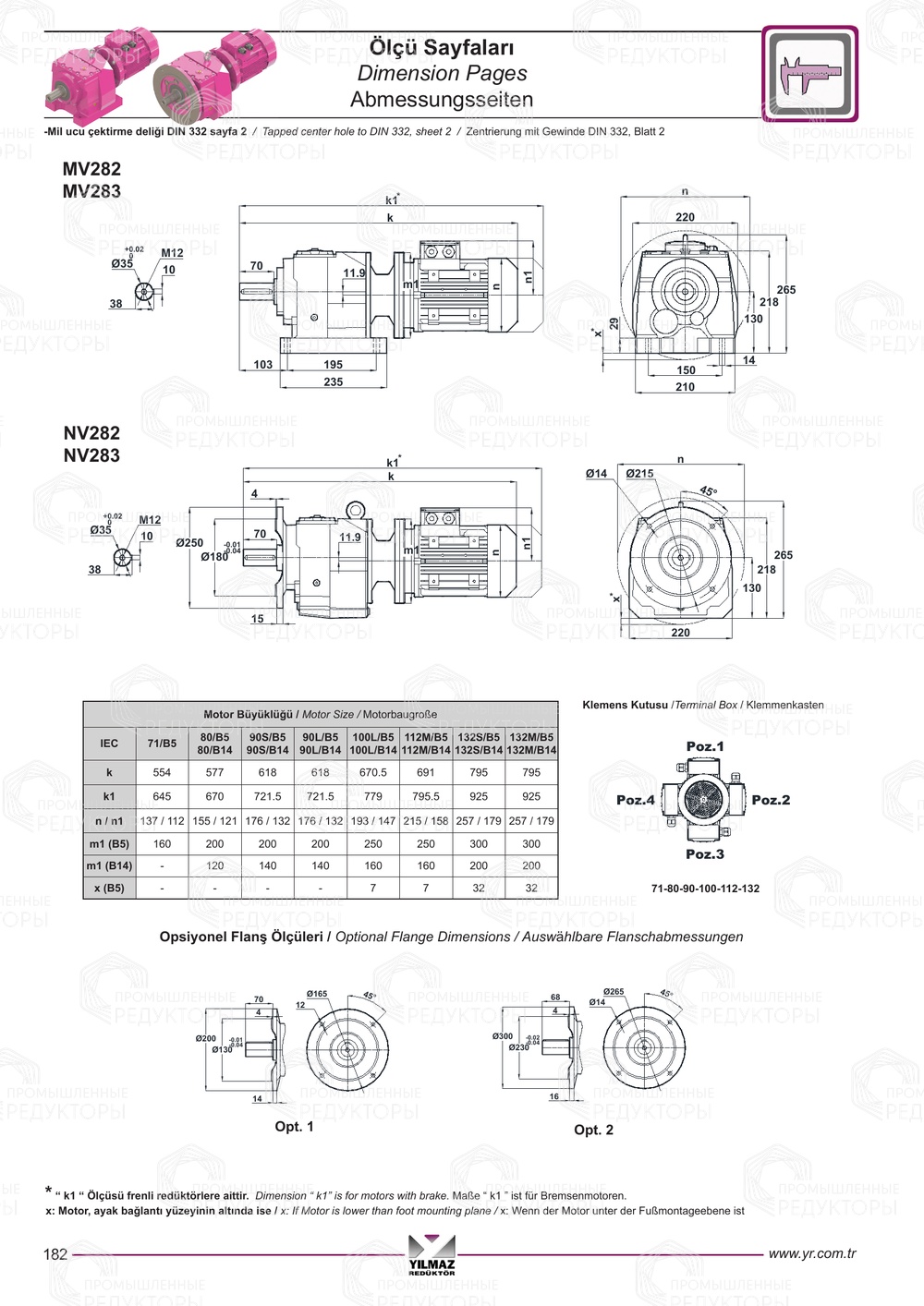
Соосный мотор-редуктор Yilmaz M 282/283/284/285/286
- Мощность двигателя, кВт от 0.12 до 7.5
- Обороты на выходе n вых, об/мин от 4.7 до 660
- Крутящий момент на вых. валу Тном, Нхм от 68 до 527
Производим редукторы под собственной маркой ПР - полные аналоги Yilmaz M 282/283/284/285/286
- 95% совместимость без доработок
- Быструю поставку со склада
- Привлекательную цену без потери качеств
Редуктор M 282/283/284/285/286 от Yilmaz представляет собой высоконадежное соосное устройство, предназначенное для передачи крутящего момента с минимальными потерями энергии. Конструкция обеспечивает высокую эффективность за счет оптимизированного соотношения передаточных чисел и точной обработки зубчатых колес, выполненных из высокопрочных материалов. Усиленная корпусная часть из чугуна или стали повышает устойчивость к вибрациям и механическим нагрузкам, а герметичные уплотнения защищают внутренние компоненты от загрязнений и влаги. Широкий диапазон допустимых скоростей и моментов позволяет использовать редуктор в различных промышленных приложениях, включая конвейерные системы, станки и оборудование для переработки.
Особенностью модели M 282/283/284/285/286 является модульная конструкция, обеспечивающая гибкость в настройке параметров под конкретные задачи. Упрощенный монтаж и обслуживание достигаются за счет стандартных крепежных размеров и совместимости с другими компонентами. Редуктор соответствует международным стандартам качества, включая DIN и ISO, что подтверждает его надежность и долговечность. Производитель Yilmaz гарантирует стабильную работу устройства в условиях повышенных нагрузок благодаря применению инновационных технологий обработки и контроля качества. Оптимальное сочетание цены и производительности делает его оптимальным выбором для промышленных предприятий, требующих эффективных решений в области передачи мощности.
Сроки: Доставка по России в среднем занимает от 3 до 10 рабочих дней, но может варьироваться в зависимости от региона. Для удалённых регионов, таких как Западная Якутия, сроки согласовываются индивидуально.
Условия отгрузки: Отгрузка с производства и передача в транспортную компанию осуществляется в день готовности заказа.
Способы доставки: Доставка осуществляется исключительно транспортными компаниями. Бесплатно доставляем заказ до терминала ТК.
Стоимость доставки: Рассчитывается индивидуально и зависит от региона, веса и габаритов товара.
Способы оплаты: Только безналичный расчёт.
Оплата производится согласно согласованным условиям поставки.
Если требуется дополнительная информация, уточните у нашего менеджера!
Доступные способы доставки
- Доставка до терминала в городе получателя
Вы выбираете нужную транспортную компанию, мы отправляем заказ, а вы забираете его с ближайшего терминала в вашем городе. Это удобно, если рядом с вами есть отделение — можно забрать в удобное время и не переплачивать за адресную доставку.
- Адресная доставка до получателя
Не нужно думать, как организовать перевозку тяжелого оборудования — мы всё сделаем за вас. Привезём редуктор точно по адресу: на производство или прямо на объект. Учитываем особенности груза и условия транспортировки, чтобы доставка прошла быстро, удобно и без лишней суеты.
- Самовывоз с терминала Деловые Линий или ПЭК в Челябинске
Для клиентов из Челябинска доступен самовывоз с терминала транспортной компании. Информация о дате и точке выдачи передаётся заранее. Процесс организован максимально просто и понятно: получение груза — без задержек и лишних действий.
Мотор-редуктор Yilmaz M 282-283-284-285-286
Ключевые преимущества редукторов серии ПР
Видео-отзывы
Ознакомиться с отзывами
Команда экспертов
по приводной технике
Луканина Наталья
Руководитель отдела продаж
Шишук Виктория
Руководитель фронт-линии
Сиражетдинов Дмитрий
Руководитель отдела клиентского сервиса
Снигир Олег
Ведущий менеджер по продажам
Киселев Егор
Менеджер по продажам
Друченко Александр
Менеджер по продажам
Новиков Максим
Менеджер по продажам
Тыщенко Иван
Менеджер по продажам
Уржунцев Александр
Менеджер по продажам
Мы не просто продаём редукторы — нам доверяют, потому что решаем задачи быстро и точно
Вопрос-ответ
Читайте наши статьи о мотор-редукторах и их применении
Оставьте свои контактные данные и наши специалисты свяжутся с вами в течение 15 минут.